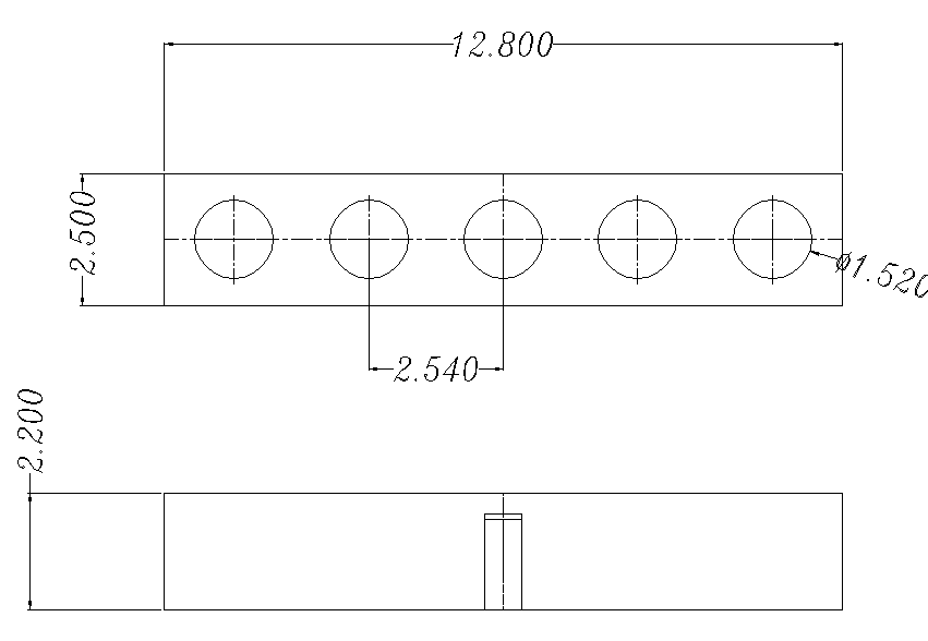
Penyambung Pin Pogo Pitch 5pin 2.54mm
Penyambung pin pogo 2.54mm pic 5pin
5A Arus tinggi 2.54mm pic SMT& Sudut kanan& DIP pogo pin penyambung pembekal china dan lebih 10 tahun' pengalaman penyambung pegas, Penyambung pogo arus tinggi tersuai.

Penyambung pin pogo 2.54mm pic 5pin
Pengeluar pin Pogo,pin Pogo semasa tinggi(5A-30A),Hayat produk mencapai 1000,000 kitaran,Penyambung pin Pogo.

Penyambung pin pogo 2.54mm pic 5pin
Kami boleh Menyesuaikan pin pogo semasa tinggi untuk lebih daripada 1600 item(2A-30A). Mereka mempunyai kualiti yang stabil. Bahagian bawah tong direka bentuk sebagai bentuk rata, mudah dipasang pada PCB.

Penyambung pin pogo 2.54mm pic 5pin
Dengan pin kedudukan di bahagian bawah tong. Sukar untuk beralih selepas dipasang pada PCB Prestasi yang baik pada kedudukan. penyaduran emas ketepatan tinggi slotted loyang berulir pin pogo spring, kami juga menyediakan perkhidmatan penyesuaian untuk pelanggan' keperluan khas dalam bidang penyambung pin pogo.

Cool tags: 2.54mm pitch 5pin penyambung pin pogo, China, pembekal, pengilang, kilang, disesuaikan, borong, beli, pukal, dalam stok, sampel percuma
Hantar pertanyaan
